Cand m-am angajat la INMT (1986), inca nu terminasem facultatea, dar mi-au echivalat cumva primii ani si m-au angajat ca tehnician. Am avut nevoie de „acces la secret” (adica aviz de la secu’) si aveam paza militarizata, plus 8% spor la salariu (spor de secret).
Si m-au dat unde era mai interesant … asistenta tehnica prototipuri si prototipul in lucru atunci era P125 (TR -125).
Eram o echipa de 4 oameni (un inginer, doi mecanici si cu mine) care urmaream „produsul” la teste. Apartineam de „Colectivul” M3 care proiecta motorul … eram 22 de oameni (inclusiv desenatoarele, care trageau in tus desenele).
Echipa de asistenta tehnica avea un atelier separat, in care nimeni in afara de cei 22 nu avea acces si un ARO243 cu numar militar (de la FMGS) cu care faceam naveta aproape zilnic intre INMT, FMGS, „111” si Mihai Bravu unde era poligonul de teste.
Dupa vreo 2 ani de „stagiu” pe teren, am trecut la planseta (in acelasi colectiv), unde mi-am stricat ochii pana in ’91, lucrand la acelasi „produs” (asa-i spunea toata lumea, nu aveam voie sa pronuntam cuvantul tanc).
In atelierul nostru gaseai tot felul de minuni, de la motorul original Maybach 331 al Leopardului (releveuri la greu), pana la un motor de tanc american M60 (un Continental V12 racit cu aer). Cum si de unde l-au adus, nu stiu, stiu ca a venit cu un vapor, noi l-am luat din port). Chiar ar fi interesant de aflat ce s-a intamplat cu el, probabil a fost „reciclat” (era din aluminiu)…
Motorul era cu carter uscat (ca la avioane)…
Aveam 2 pompe de transvazare si un rezervor de ulei din care tragea pompa principala (cea care facea ungerea motorului). Au fost probleme cu dimensiunea si amplasarea bidonului (noi asa-i spuneam), erau vreo 60 de litri de ulei…
Responsabil cu „bidonu” era un inginer Mihai Minca… pescar….
Eram pe malul garlei duminica (sambata lucram), ne uitam la bambine si comentam…
– Da’ ai incercar sa….
-Da, nu merge…
-Hmmmm…
-Da’ daca-l pui pe dreapta, sub compresor?
-M-am gandit… dar dau de teava lu’ Stelica …
– Mda… si nu are unde s-o mute…
– Vezi ca misca !!!
Nu aveam desene in fata, eram la pescuit si motorul era in capul nostru… cu toate cotele…
Nu am nici un document de atunci, nici nu mi-a trecut prin cap, planurile sunt arhivate undeva si pe unele planse se gaseste si numele meu…
Mai tin minte cifre – nu cred ca au importanta – dar mi-au ramas in cap. Telefonul prietenei mele nu-l stiu acum, dar stiu ca P125 avea aleazul de 185 si cursa de 170 (cursa scurta, pistonul Mahle original de la Maybach 331), de aici si numele de 331 (3,31 litri/cilindru). Pe pistonul original scria : MTU – Motoren und Turbinen Union – MAN-Maybach-Merced Benz.
Am taiat pistonul felii ca sa facem releveul – forma interioara era ciudata – am folosit un pantograf cu palpator si am decupat din carton sectiunile, le-am cantarit ca sa determinam aria (stiam cat are cartonul in g/mc).
Nu se plictiseau neuronii … Si intre 1986 si 1991 am reusit sa reducem consumul specific de la 185 la 168 g/CP*h
🙂 Insa am avut mari probleme cu scurgerile de ulei, dupa cateva ore de functionare incepea sa curga. Dupa 1001 de referate explicative si 10746 de aprobari, am primit in sfarsit aprobarea pentru „elemente de etansare din import”. Cum am pus simeringuri nemtesti… a mers motorul ca la nemti 🙂 .
Adrian
 
			 
			 
			 
			 
	
Foarte interesant articolul.. Astept cu nerabdare o continuare.. multam fain..
Mi-a placut comentariul foarte interesant ,in acele vremuri nu aveam acces la astfel de comentarii totul era secret iar noi tanchisti ne uitam la TR-125 ca la tehnica straina ,dar au trecut vremurile si TR nu a mai intrat in productie de serie nu se sti de ce???
A venit revolutia, nu au mai fost fonduri pentru programe majore, modernizandu-se doar 54 de tancuri TR-85, ceea ce nu justifica productia unui nou tanc… In fine, raspunsul mai detaliat e aici:
http://www.rumaniamilitary.ro/de-la-tancul-tr-125-la-tr-2000-proiecte-ingropate
Au fost şi alte îmbunătăţiri ale motorului? Exceptând reducerea consumului specific.
Da , foarte fain articol ! Chiar imi vine in gand expresia ”ce vremuri , dom’le ! ” Mi-a adus aminte de un avion construit pe la ” casa pionierului ” si un hovercraft tot asa construit de studenti – elevi …care aparusera prin ” modelism ”
Domnule Adrian , va multumesc pt. faptul ca spuneti cate ceva (poate mai mult) despre acest tanc.Pe site-ul CARTULA cu user-ul mishulika am cerut informatii despre acest tanc.Am cerut si expunerea lui la MMN..Pacat de acest tanc dar si de faptul laudabil al oamenilor care au pus sufletul la realizarea lui.Cinste lor.Am dorit sa-l vad la MMN ca pe o mandrie(am solicitat lucrul asta si trebuia adus in 2013 alaturi de t 72 si alta tehnica blindata , dar…). Poate aveti si ceva materiale video.Cu stima.
Trebuiau modernizate T 72 urile şi transformate în TR 125 şi azi aveam 40 de tancuri puternice. Mai cumpăram câteva zeci şi aveam câteva brigăzi blindate. Aşa avem TR 85 care este deja la capăt, nu mai poate fi modernizat. Ungurii, polonezii, sârbii şi bulgarii nu au renunţat la ele.
Despre turbosuflanta Hidromecanica T3 , care echipa urmatoarele motoare :
8VSA2T2 820CP/2300rot/min
8VSA3T3 840CP/2300rot/min
1240V8DT 360CP/2600rot/min
T3 TURBOSUFLANTA
Puterea motorului supraalimentat (CP) 200…..500
Temperatura maxima gaze (°C) 750
Domeniul de turatii (rot/min) 30000….100000
Domeniul debitelor de aer (kg/s) 0.05….0.75
Raportul de comprimare 1,2….3,4
Masa (kg) 27,5
L (mm ) 295
l (mm ) 316
H (mm ) 298
Date din oferta de produse Hidromecanica
Motorul 8VSA2T2, este un motor diesel, supraalimentat, cu 8 cilindri in V. Dezvoltă puterea maximă de 610,46 kW (830 CP) la turaţia de2300 rot/min respectiv cuplul maxim de 282 daNm la turaţia de 1650 rot/min
Date din lucrare teza de doctorat la ATM .
Schema-bloc a transmisiei THM-800 de pe TR-85
https://i.postimg.cc/7639Tc1g/subsisteme-THM-800.jpg
Sursa- teza de doctorat ATM
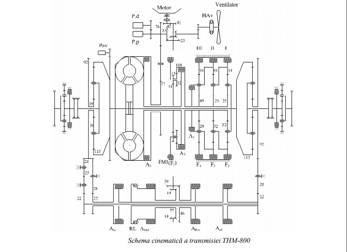
Schema cinematica a transmisiei THM-800 de pe TR-85
https://i.postimg.cc/K8t1F2mr/schema-cinematica-THM-800.jpg
Sursa- teza de doctorat ATM
Hidroconvertizorul
https://i.postimg.cc/Jn8sd6X4/schema-principiu-hidroconvertizor-THM-800.jpg
De ce convertizor de cuplu
https://i.postimg.cc/bN5sjNn5/explicatie-hidroconvertizor-THM-800.jpg
Imagini luate din teza de doctorat ATM
” How it works ”
https://www.youtube.com/watch?v=bRcDvCj_JPs
https://es-es.facebook.com/Convertizor/videos/aici-va-prezentam-modul-in-care-reparam-convertizoarele-de-cuplu-a-cutiei-de-vit/1135036373311452/
Gramada de convertizoare de cuplu de pe podeaa ar trebui sa le dea de gandit celor care cred ca Romania ar putea fi aparata fara o industrie proprie . Si fara ofsset .
” fara ofsset ”
Offset , modificat de trei ori cu obida
Despre
https://i.postimg.cc/fRkLnNry/cutie-viteze-planetara-THM-800.jpg
https://i.postimg.cc/7PVY5hvb/cutie-viteze-planetara-THM-800-treapta-intai.jpg
Sursa – teza de doctorat ATM
Schema hidraulică a transmisiei THM-800
https://i.postimg.cc/pVGMNFbQ/Schema-hidraulic-a-transmisiei-THM-800.jpg
Sursa- teza de doctorat ATM
Ca sa nu o mai lungim , teza de doctorta completa
https://pdfcoffee.com/rezumat-teza-liviu-loghin-pdf-free.html
https://documente.net/document/rezumat-teza-liviu-loghin.html
Deocamdata , e ce se poate prezenta , fiind informatie publica .
In alta ordine de idei , acum cca. trei ani s-a facut publica o alta informatie , blindajul lui TR-85 , deci si TR-125 , era din otel amagnetic , imun la minele cu senzor magnetic . Punctul slab era motorul ,realizat din materiale cu caracteristici magnetice mai puternice , tactica era depasirea in viteza a presupuselor zone cu mine izolate astfel incat mina sa explodeze sub motor nu sub compartimentul de lupta .
In lucrarea de unde am luat informatia nu s-a publicat diagrama campului magnetic pentru TR-85 , s-au dat doar diagramele pentru tancul T-34 si autotunul AT-100 ( SU-100 ) parca .
Determinarile s-au facut intr.un poligon de langa Bucuresti .
Asa arata motorul de pe TR-85M1
https://i.postimg.cc/d3Q6HqHv/motor-TR85-M1.jpg
Sursa imaginii – Album Expomil 1999 realizat de IonicaF , caruia ii multumesc pentru permisiunea acordata pentru publicarea imaginii
Fata de motorul de pe TR-85 s-a redus rezistenta pe tubulatura de evacuare , mutandu-se esapamentele in lateral , fata de pozitionarea anterioara , in spate, ascunsa de butoaiele de carburant . Din ce mi s-a spus mie , s-a considerat un avantaj cresterea puterii in detrimentul camuflajului IR , ca urmare a progreselor in dezvoltarea sistemelor de termoviziune .
Aceasta pozitionare a tubulaturii de evacuare s-a mentinut si pe TR-125 .
https://i.postimg.cc/FHpgnfd6/motor-TR-85-M1.jpg
Acelasi motor , aceeasi sursa
Daca tot suntem la capitolul motoare , o precizare : desi peste tot se spune ca motorul de MLI este 8V1240 DT , informatia nu este reala , motorul este 8V1240 DTS. S de la special .
8V1240 DT este motorul de camion civil , cel montat pe MLI-84 este varianta a acestuia , diferita prin pozitionarea / modificarea unor componente .Are modificat sistemul de ungere ( baia de ulei compartimentata , tubulatura si pompa modificate pentru a functiona pe panta de 35º ) , sistemul de racire . Pornirea se face cu electromotor sau aer comprimat , alternatorul de 0,5 kw a fost inlocuit cu unul de 5 kw , s-au montat o pompa hidrostatica si preincalzitoare de apa si ulei .
In Buletinul Tehnica Militara de unde am luat informatia exista si o imagine a diferentelor de gabarit intre cele doua motoare .
S-a comentat mult de lipsa de fiabilitate a motorului , fals .
Exista motoare pe MLI-uri care functioneaza si acum , dupa 30 -35 de ani , in conditiile unei lipse crancene de piese de schimb .
Aceasta lipsa se datoreaza in parte conceptiei de lupta ” razboiul intregului popor ” de dinainte de 1989 , cand armata nu primea suficiente piese de schimb la pace , datorita comonalitatii ele trebuiau rechizitionate din sectorul civil la mobilizare , mai pe sleau din depozitele autobazelor . Un fel de adaptare logistic/ideologica a conceptului biblic de a satura pe toata lumea cu doi pesti si cinci paini .
SMA-urile si IRA-urile se transformau in centre de reparat tehnica militara , ca si cum nu ar fi fost destul ca parcul auto civil trebuia rechizitionat .
Dupa 1990 aceasta posibilitate de aprovizionare a disparut, autobazele/SMA-urile / intreprinderile de reparatii auto s-au autonomizat apoi privatizat apoi inchis/afacere imobiliara , tipurile de vehicule s-au multiplicat .Problema chiar a fost tratata in Observatorul Militar la vremea ei , fara imbunatatirea situatiei .
Nacazul e ca nici in ultimii ani inainte de 1989 piese de schimb nu existau in magaziile autobazelor decat in teorie .
Tin minte cand un vecin , sofer de autobuz, a venit sa ceara o pompa de frana pe care o adunasera copiii sa o predea la scoala la planul economic , zacuse aruncata ani de zile pe un teren viran de langa autobaza , iar acum omul voia sa scoata garniturile sa le monteze pe autobuz ca nu mai aveau nimic .Pentru pompa de frana , nu abtibilduri .
Insa vad ca nu s-a imbunatatit mare lucru dupa 1989 , vad in fiecare saptamana la stiri locale accidente/incendii datorate unor vehicule SH cu probleme tehnice .
Cartea tehnica a motorului civil 1240-V8-DT
https://es-la.facebook.com/pg/AutocamioaneRomanDiesel/photos/?tab=album&album_id=1468752066779477
https://www.youtube.com/watch?v=Z02HsFamnT8
Diferenta intre variantele normala si compact
https://i.postimg.cc/7hnnsnLB/TM-0064.jpg
Sursa imaginii _ Buletinul Tehnica militara 3/1983 , editat de MApN
Standardizare : o varianta a aceluiasi motor , cu denumirea de motor 1240 V8 DTS/ B33 este utilizata si pentru echiparea ultimului model de TAB romanesc produs in serie .
Ma intreb de unde mai gasesc piese pentru reparatii .
Oricum , ideea a fost buna la vremea ei , un motor pentru mai multe categorii de vehicule militare .Produs in tara ,posibil de furnizat la pace si la razboi .
https://infocentrum.ro/Servicii_reparatii_motoare_TAB_B33_ZIMBRU-446298-1.html
https://www.licitatie-publica.ro/licitatii/reparare-motor-termic-tip-1240-v8-dtsb33-pentru-nutilaj-uam-215-003?uuid=59517306-b897-11e4-bb7c-002655ffd6c8
https://www.youtube.com/watch?v=GLeN4ArkI5I
Cateva linkuri interesante
https://www.rasfoiesc.com/inginerie/tehnica-mecanica/LUCRARE-DE-MAISTRU-MENTENANTA-49.php
https://pdfslide.net/documents/mentenanta-sistemului-de-franare-la-dac-665-t.html
https://www.academia.edu/39201322/CONSTRUCTIA_TRANSMISIEI
https://www.facebook.com/media/set/?set=a.1468752066779477.1073741835.1437564073231610&type=3